구매가 완료되었습니다.
배송조회 및 입금확인은 TEL : 031-479-0503으로
연락주세요.
카스홈 고객지원센터
TEL : 031-479-0503 | FAX : 031-479-0504
E-mail : cas3489@naver.com
상품상세정보
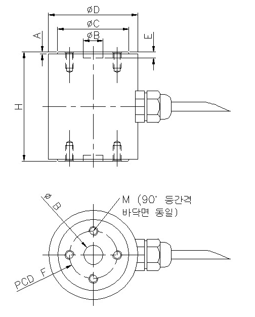
제품설명
- 프레스용 로드셀
- 설치가 간편
- 지그설계가 용이
- 로드셀은 10Kgf에서 1000tonf 까지 압축하중을 측정.
- 이 모델은 프레스 작업에서 적부판정
- 프레스 조정을 위한 스트로크 사전조정용으로 널리 사용
- 500KG ~ 1000 TON가지 용량이 다양함
로드셀 적용 사진

제품사양

제품크기


