카스홈
본문 바로가기
주메뉴 바로가기
서브메뉴 바로가기
Home
Sitemap
Contact us
상단검색
주메뉴
회사소개
인사말
찾아오시는 길
제품소개
전자저울
로드셀
인디케이터
산업용계량시스템
증폭기
토크센서
신호변환기
진동방지플랫폼
견적문의
제품소개
전자저울
로드셀
인디케이터
산업용계량시스템
증폭기
토크센서
신호변환기
진동방지플랫폼
고객지원센터
T : 031-5180-3113
F : 031-5180-3114
E : cas3489@naver.com
Home
제품소개
구매가 완료되었습니다.
배송조회 및 입금확인은 TEL : 031-479-0503으로
연락주세요.
카스홈 고객지원센터
TEL : 031-479-0503 | FAX : 031-479-0504
E-mail : cas3489@naver.com
확인
Previous line
Next line
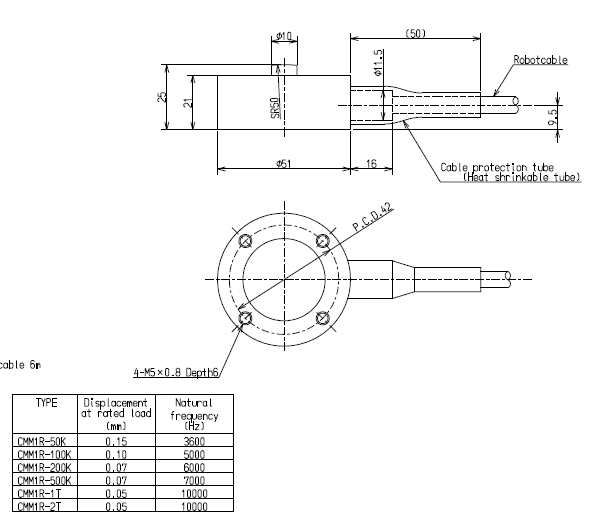
CMM1-50K-2T
상품번호
20200710140246291
제조사
구매수량
판매가격
0 원
견적문의
구매하기
상품상세정보
-소형 경량의 압축형 Load Cell로 압축
-프레스(Press) 등에 사용하기 적합
목록으로
견적문의
바로가기
이메일상담
바로가기
카카오톡 상담
ID : cashome
바로가기
고객지원센터
대표전화
031-5180-3113
(구,031-479-0503)