구매가 완료되었습니다.
배송조회 및 입금확인은 TEL : 031-479-0503으로
연락주세요.
카스홈 고객지원센터
TEL : 031-479-0503 | FAX : 031-479-0504
E-mail : cas3489@naver.com
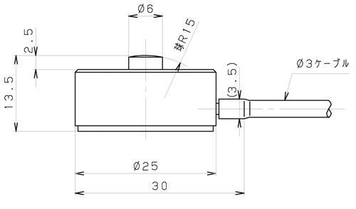
상품상세정보
-특징 초소형 · 저용량
-capa : 5KN, 10KN
-SIZE : Φ25 X 13.5(H)mm
-정밀도 : 1 %

* 절단 기계
* 대차 브레이크 압력 제어
* 클립 능력 측정
* 본딩 머신
* 토크 측정
* 緊泊 힘 측정
* 의복 · 접촉 압력 측정
* 용접시의 가압력 측정
* 칩 마운터 하중 측정
*기구의 검사 (회전 토크 유지력 · 접촉 압 / 삽입 력)
* 마찰 계수 측정
* 스포츠 장비의 성능 평가
* 마이크로 미터의 측정 반력 관리
* 피부 경도 측정 (변위 - 하중)
* 마이크로 스위치의 스프링 압력 관리
* 교합 력 측정
* 웨이퍼 캡 스프링 하중 측정
* 칩 부품의 열 프레스 가압 압력 측정
* 뜨거운 인감 (heat-sealed)시의 가압력 측정
* 로봇 과부하 제어
* 키보드의 스위치 검사